Full 2x2 Mechanical Optical Switch
The Full 2x2 fiber optic switch connects optical channels by directing or blocking an incoming optical signal into the output fiber. This is achieved using a patent pending opto-mechanical configuration and activated via an electrical control signal. A latching version preserves the selected optical path after the drive signal has been removed, while the non-latching versions default to either the open or closed state when power is removed. The Mechanical Fiber Optical Switch has integrated electrical position sensors. The new material based advanced design significantly reduces moving part position sensitivity, offering unprecedented high stability as well as unmatched low cost

Specifications
|
Operating Wavelength |
1260~1620nm(SM) 850nm(MM) |
Insertion Loss |
≤1.0dB |
|
Wavelength Dependent Loss |
≤0.25dB |
Polarization Dependent Loss |
≤0.05dB |
|
Temperature Dependent Loss |
≤0.20dB |
Return Loss |
SM≥50dB MM≥30dB |
|
Cross Talk |
SM≥55dB MM≥35dB |
Switch Time |
≤8ms |
|
Repeatability |
≤±0.02dB |
Durability |
≥107 times |
|
Operating Voltage |
3 or 5V |
Switch Type |
Non-Latching/Latching |
|
Operating Temperature |
-20~+70℃ |
Storage Temperature |
-40~+85℃ |
|
Optical Power |
≤500mW |
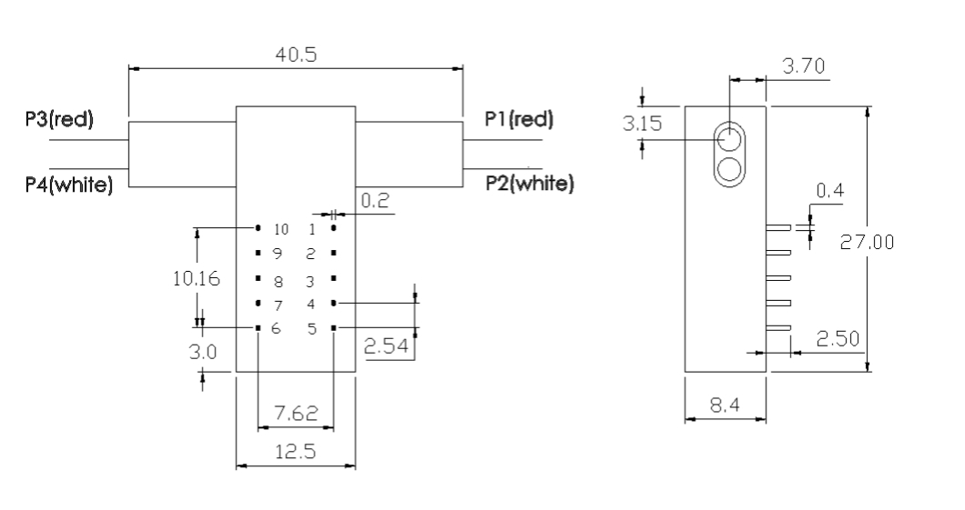
Dimension |
27.0L×12.0W×8.2H mm |
Pin Configurations
|
Type |
Optical Route |
Electric Drive |
State Sensor |
||||||
|
F2×2 |
Pin 1 |
Pin5 |
Pin6 |
Pin10 |
Pin 2-3 |
Pin3-4 |
Pin7-8 |
Pin 8-9 |
|
|
Latching |
P1-P4、P2-P3 |
-- |
-- |
GND |
V+ |
Close |
Open |
Open |
Close |
|
P1-P3、P2-P4 |
V+ |
GND |
-- |
-- |
Open |
Close |
Close |
Open |
|
|
Non-latching |
P1-P4、P2-P3 |
-- |
-- |
-- |
-- |
Close |
Open |
Open |
Close |
|
P1-P3、P2-P4 |
V+ |
-- |
-- |
GND |
Open |
Close |
Close |
Open |
|
Mechanical Dimensions (Unit:mm)

Optical Route

Ordering Information
|
RD-FSW |
-F2X2- |
-Wavelength- |
-Switch Type- |
-Voltage- |
-Fiber Type- |
-Package- |
-Fiberlength- |
-Connector- |
|
|
|
1060=1 C+L=2 1310=3 1410=4 1550=5 650=6 780=7 1260-1610=A 1310/1550=9 850=8 Special=0 |
Latching=1 Non-latching=2 MINI Latching=3 MINI Non-latching=4 Special=0 |
3V=3 5V=5 Special=0 |
SM28=1 50/125=5 62.5/125=6 Special=0 |
Bare fiber=1 900um tube=3 Special=0 |
0.25m=1 0.5m=2 1.0m=3 Special=0 |
None=1 FC/PC=2 FC/APC=3 SC/PC=4 SC/APC=5 ST/PC=6 LC/PC=7 Duplex LC=8 Special=0 |
Related Tags :
Want to know about this product?
If you are interested in our products and want to know more details,please leave a message here,we will reply you as soon as we can.